如果需要F系列平行軸齒輪減速機(jī),G系列全封閉齒輪減速機(jī),請(qǐng)電話咨詢021-63731858

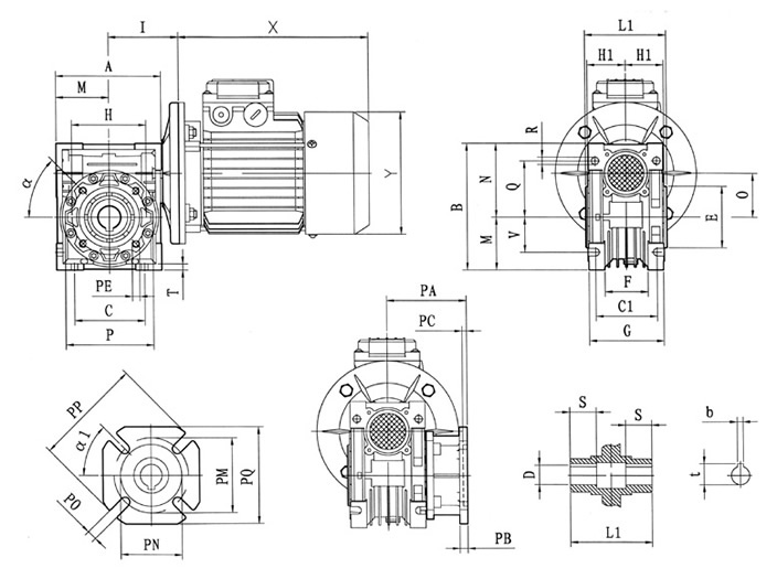
| 型號(hào) |
A |
B |
C |
C1 |
D(H7) |
E(h8) |
F |
G |
H |
H1 |
I |
L1 |
M |
N |
0 |
| 030 |
80 |
97 |
54 |
44 |
14 |
55 |
32 |
56 |
65 |
29 |
55 |
63 |
40 |
57 |
30 |
| 040 |
100 |
121.5 |
70 |
60 |
18(19) |
60 |
43 |
71 |
75 |
36.5 |
70 |
78 |
50 |
71.5 |
40 |
| 050 |
120 |
144 |
80 |
70 |
25(24) |
70 |
49 |
85 |
85 |
43.5 |
80 |
92 |
60 |
84 |
50 |
| 063 |
144 |
174 |
100 |
85 |
25(28) |
80 |
67 |
103 |
95 |
53 |
95 |
112 |
72 |
102 |
63 |
| 075 |
172 |
205 |
120 |
90 |
28(35) |
95 |
72 |
112 |
115 |
57 |
112.5 |
120 |
86 |
119 |
75 |
| 090 |
206 |
238 |
140 |
100 |
35(38) |
110 |
74 |
130 |
130 |
67 |
129.5 |
140 |
103 |
135 |
90 |
| 110 |
255 |
295 |
170 |
115 |
42 |
130 |
- |
144 |
165 |
74 |
160 |
155 |
127.5 |
167.5 |
110 |
| 130 |
293 |
335 |
200 |
120 |
45 |
180 |
- |
155 |
215 |
81 |
179 |
170 |
146.5 |
187.5 |
130 |
| 150 |
340 |
400 |
240 |
145 |
50 |
180 |
- |
185 |
215 |
96 |
210 |
200 |
170 |
230 |
150 |
| 型號(hào) |
P |
Q |
R |
S |
T |
V |
PE |
H |
t |
α |
Kg. |
| 030 |
75 |
44 |
6.5 |
21 |
5.5 |
27 |
M6 × 11(n=4) |
5 |
16.3 |
0o |
1.2 |
| 040 |
87 |
55 |
6.5 |
26 |
6.5 |
35 |
M6 × 8(n=4) |
6 |
20.8(21.8) |
45o |
2.3 |
| 050 |
100 |
64 |
8.5 |
30 |
7 |
40 |
M8 × 10(n=4) |
8 |
28.3(27.3) |
45o |
3.8 |
| 063 |
110 |
80 |
8.5 |
36 |
8 |
50 |
M8 × 14(n=8) |
8 |
28.3(31.3) |
45o |
6.2 |
| 075 |
140 |
93 |
11 |
40 |
10 |
60 |
M8 × 14(n=8) |
8 |
31.3(38.3) |
45o |
9 |
| 090 |
160 |
102 |
13 |
45 |
11 |
70 |
M10 × 18(n=8) |
10 |
38.3(41.3) |
45o |
13 |
| 110 |
200 |
125 |
14 |
50 |
14 |
85 |
M10 × 18(n=8) |
12 |
45.3 |
45o |
42.5 |
| 130 |
250 |
140 |
16 |
60 |
15 |
100 |
M12 × 21(n=8) |
14 |
18.8 |
45o |
59 |
| 150 |
250 |
180 |
18 |
72.5 |
18 |
120 |
M12 × 21(n=8) |
14 |
53.8 |
45o |
87 |
如果需要T系列齒輪換向器,SWL絲桿升降機(jī),請(qǐng)電話咨詢021-63731858