如果需要MB無級(jí)變速機(jī),WB微型擺線針輪減速機(jī),請(qǐng)電話咨詢021-63731858

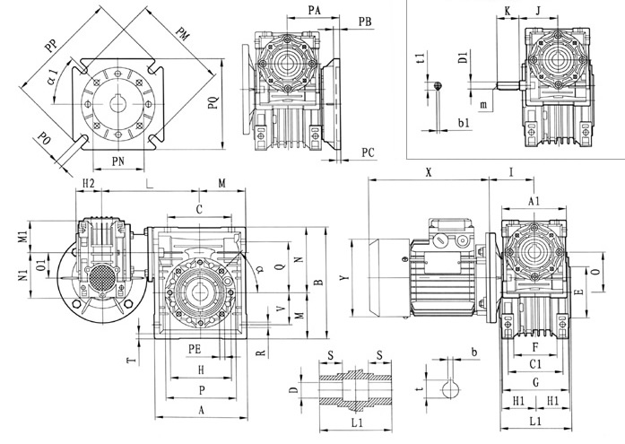
| 型號(hào) |
A |
A1 |
B |
C |
C1 |
D(H7) |
D1(j6) |
E(H8) |
F |
G |
H |
H1 |
H2 |
I |
J |
K |
L |
L1 |
M |
M1 |
N |
| 030/040 |
100 |
80 |
121.5 |
70 |
60 |
18(19) |
9 |
60 |
43 |
71 |
75 |
36.5 |
29 |
55 |
51 |
20 |
120 |
78 |
50 |
40 |
71.5 |
| 030/050 |
120 |
80 |
144 |
80 |
70 |
25(24) |
9 |
70 |
49 |
85 |
85 |
43.5 |
29 |
55 |
51 |
20 |
130 |
92 |
60 |
40 |
84 |
| 030/063 |
144 |
80 |
174 |
100 |
85 |
25(28) |
9 |
80 |
67 |
95 |
95 |
53 |
29 |
55 |
51 |
20 |
145 |
112 |
72 |
40 |
102 |
| 040/075 |
172 |
100 |
205 |
120 |
90 |
28(35) |
11 |
95 |
72 |
115 |
115 |
57 |
36.5 |
70 |
60 |
23 |
165 |
120 |
86 |
50 |
119 |
| 040/090 |
206 |
100 |
238 |
140 |
100 |
35(38) |
11 |
110 |
74 |
130 |
130 |
67 |
36.5 |
70 |
60 |
23 |
182 |
140 |
103 |
50 |
135 |
| 050/110 |
255 |
120 |
295 |
170 |
115 |
42 |
14 |
130 |
- |
144 |
165 |
74 |
43.5 |
80 |
74 |
30 |
225 |
155 |
127.5 |
60 |
167.5 |
| 063/130 |
293 |
144 |
335 |
200 |
120 |
45 |
19 |
180 |
- |
155 |
215 |
81 |
53 |
95 |
90 |
40 |
245 |
170 |
146.5 |
72 |
187.5 |
| 型號(hào) |
N1 |
O |
01 |
P |
Q |
R |
S |
T |
V |
PE |
α |
b |
b1 |
t |
t1 |
m |
Kg |
| 030/040 |
57 |
40 |
30 |
87 |
55 |
6.5 |
26 |
6.5 |
35 |
M6 × 8(n=4) |
45o |
6(6) |
3 |
20.8(21.8) |
10.2 |
- |
3.9 |
| 030/050 |
57 |
50 |
30 |
100 |
64 |
8.5 |
30 |
7 |
40 |
M8 × 10(n=4) |
45o |
8(8) |
3 |
28.3(27.3) |
10.2 |
- |
5.0 |
| 030/063 |
57 |
63 |
30 |
110 |
80 |
8.5 |
36 |
8 |
50 |
M8 × 14(n=8) |
45o |
8(8) |
3 |
28.3(31.3) |
10.2 |
- |
7.8 |
| 040/075 |
71.5 |
75 |
40 |
140 |
93 |
11 |
40 |
10 |
60 |
M8 × 14(n=8) |
45o |
8(10) |
4 |
31.3(38.3) |
12.5 |
- |
12.0 |
| 040/090 |
71.5 |
90 |
40 |
160 |
102 |
13 |
45 |
11 |
70 |
M10 × 18(n=8) |
45o |
10(10) |
4 |
38.3(41.3) |
12.5 |
- |
16.0 |
| 050/110 |
84 |
110 |
50 |
200 |
125 |
14 |
50 |
14 |
85 |
M10 × 18(n=8) |
45o |
12 |
5 |
45.3 |
16.0 |
M6 |
39.2 |
| 063/130 |
102 |
130 |
63 |
250 |
140 |
16 |
60 |
15 |
100 |
M12 × 21(n=8) |
45o |
14 |
6 |
48.3 |
21.5 |
M6 |
55.0 |
如果需要S系列蝸輪蝸桿減速機(jī),K系列螺旋錐齒輪減速機(jī),達(dá)到直角輸出,請(qǐng)電話咨詢021-63731858